○泉大津市石油コンビナート等災害防止法等の施行に関する規則
令和3年6月1日
規則第23号
(趣旨)
第1条 この規則は、石油コンビナート等災害防止法(昭和50年法律第84号。以下「法」という。)、石油コンビナート等災害防止法施行令(昭和51年政令第129号。以下「政令」という。)及び石油コンビナート等における特定防災施設等及び防災組織等に関する省令(昭和51年自治省令第17号。以下「省令」という。)の施行に関し必要な事項を定めるものとする。
(用語の定義)
第2条 この規則における用語の意義は、法、政令及び省令に定めるところによる。
(特定事業者の氏名等の変更の届出)
第3条 法第13条第1項に規定する者以外の特定事業者は、その氏名(法人にあっては、その名称又は代表者の氏名)又は住所に変更があったときは、遅滞なく、氏名等変更届出書(様式第1号)により市長に届け出なければならない。
(特定事業者の地位の承継の届出)
第4条 法第14条第1項に規定する者以外の者が、特定事業者から特定事業所を譲り受け、若しくは借り受けたとき、又は法第14条第2項に規定する相続人若しくは法人以外の特定事業者について相続若しくは合併があったときは、相続人(相続人が2人以上ある場合において、その全員の同意により承継すべき相続人を選定したときは、その者)又は合併後存続する法人若しくは合併により設立した法人は、遅滞なく、地位承継届出書(様式第2号)により市長に届け出なければならない。
(検査の不適合通知)
第5条 市長は、法第15条第2項の規定による特定防災施設等の検査結果が同条第1項の基準に適合していないと認めるときは、特定防災施設等不適合通知書(様式第3号)により届出者に通知するものとする。
(代替措置の申請及び認定等)
第6条 政令第16条第1項の規定による代替措置の認定を受けようとする特定事業者は、防災資機材等代替措置申請書(様式第4号)により市長に申請しなければならない。
(自衛防災組織等)
第7条 法第16条第1項に規定する自衛防災組織及び法第19条第1項に規定する共同防災組織(以下「自衛防災組織等」という。)の指揮者及び機関員は、専従としなければならない。
2 防災要員は、常に有効な防災活動を実施し得る体制を維持しなければならない。
3 自衛防災組織等が行う防災業務の全部又は一部を当該特定事業所の所在する特別防災区域の特定事業者以外の者に委託する場合、自衛防災組織等は、防災業務の適切な実施を確保しなければならない。
(特定防災施設等及び防災資機材等の維持管理)
第8条 特定事業者は、特定防災施設等及び防災資機材等を常に使用し得るよう維持管理しなければならない。
2 特定事業者は、防災資機材等を定期に点検した後、点検記録を作成し、これを保存しなければならない。
(防災活動能力の向上等)
第9条 防災管理者は、防災要員に防災資機材等に係る知識、技能及び操作を習熟させ、防災活動能力の向上に努めなければならない。
2 政令第7条第6項の適用を受けている自衛防災組織等の防災要員は、省力化導入時の防災活動能力を保持しなければならない。
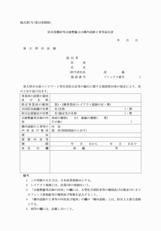
(防災資機材の点検等に係る届出)
第10条 特定事業者は、防災資機材等が点検若しくは整備等のために使用不能又は構内道路の工事等により防災上支障となるときは、防災資機材等点検整備又は構内道路工事等届出書(様式第7号)により市長に届け出なければならない。
(申請書等の提出部数)
第11条 この規則の規定により市長に提出する申請書及び届出書の部数は、正本1部及び副本1部とする。
(委任)
第12条 この規則の施行について必要な事項は、消防長が別に定める。
附則
この規則は、公布の日から施行する。






