○泉大津市浄化槽法施行細則
昭和60年9月30日
細則第1号
(趣旨)
第1条 この細則は、浄化槽法(昭和58年法律第43号。以下「法」という。)の施行について、関係政令及び環境省関係浄化槽法施行規則(昭和59年厚生省令第17号。以下「省令」という。)に定めるもののほか、必要な事項を定めるものとする。
(平成12細則3・一部改正)
(浄化槽清掃業の許可の申請)
第2条 法第35条第1項の規定により浄化槽清掃業の許可を受けようとする者(以下「申請者」という。)は、浄化槽清掃業許可申請書(様式第1号)を市長に提出しなければならない。
(1) 従業員名簿
(2) 浄化槽の清掃に使用する器具の名称及び数量を記載した書類
(3) 汚泥等の処分方法を記載した書類
(4) 浄化槽清掃料金表
(5) その他市長が必要と認める書類
(許可書の交付)
第3条 市長は、浄化槽清掃業の許可をしたときは、浄化槽清掃業許可書(様式第2号)を交付する。
2 許可書は、これを他人に譲渡し、又は貸与してはならない。
(許可書の返納及び再交付)
第4条 浄化槽清掃業者は、浄化槽清掃業許可書が不要となったときは、その日から10日以内に、これを市長に返納しなければならない。
2 浄化槽清掃業者は、浄化槽清掃業許可書を破り、汚し、又は失ったときは、直ちに浄化槽清掃業許可書再交付申請書(様式第3号)を市長に提出して、その再交付を受けなければならない。
3 浄化槽清掃業者は、浄化槽清掃業許可書の再交付を受けた後、失った浄化槽清掃業許可書を発見したときは、直ちにこれを市長に返納しなければならない。
(平2細則1・一部改正)
(許可事項の変更の届出)
第5条 法第37条の規定による変更の届出をしようとする者は、浄化槽清掃業変更届出書(様式第4号)を市長に提出しなければならない。
2 前項の届出書には、変更の事実を明らかにした書類を添付しなければならない。
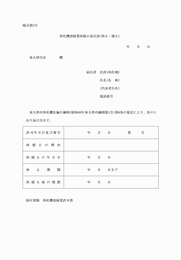
(業の休廃止の届出)
第6条 浄化槽清掃業者は、法第38条の規定により業の休止又は廃止をしようとするときは、その休廃止の日から30日以内に、浄化槽清掃業休廃止届出書(様式第5号)を市長に提出しなければならない。
2 前項の届出書には、浄化槽清掃業許可書を添付しなければならない。
(委任)
第7条 この細則の施行に関し必要な事項は、市長が定める。
附則
この細則は、昭和60年10月1日から施行する。
附則(平成2年1月22日細則第1号)
この細則は、公布の日から施行する。
附則(平成12年12月28日細則第3号)
この細則は、平成13年1月6日から施行する。
附則(令和4年4月1日細則第3号)
(施行期日)
1 この細則は、令和4年4月1日から施行する。
(経過措置)
2 改正前の泉大津市浄化槽法施行細則の様式により作成した用紙等で残存するものについては、当分の間、所要の調整を行った上、改正後の泉大津市浄化槽法施行細則の様式により作成した用紙等として使用することができる。
(平2細則1・令4細則3・一部改正)

(平2細則1・令4細則3・一部改正)

(平2細則1・令4細則3・一部改正)

(平2細則1・令4細則3・一部改正)

(平2細則1・令4細則3・一部改正)
